文化シヤッター製中柱アルミ 【G-110N型】(ホワイト)m/¥18,480です。販売は1mからになります。

サイズ

中柱の長さLをご指定ください。mm単位で製作できますので正確な数字をご指定できます。単位はmmです。例:1895mm=1m89㎝5㎜

1. 寸法L=

1000㎜から3500㎜の製作範囲内で中柱の長さLをご入力ください。

mm
シャッターのカギ形状をご確認下さい。
現在お使いのシャッターのカギの形状をご確認ください。中柱にセットされる受け金具がカギの形状により変わります。
ディンプル錠
今お使いのカギ穴が、ひし形の形状。
旧型錠
今お使いのカギ穴が、マルの形状。
購入内容の内訳
サイズ変更
1. 寸法L=
シャッターのカギ形状をご確認下さい。変更
ディンプル錠
旧型錠
注文数
販売価格(税込み)
18,480

こちらの商品は、納品後のご返品、交換依頼は受付できません。工事は有資格者で行ってください。沖縄、及び離島は配達不可エリアとなります。

お届け日の目安
納期10日間/土日祝除く
お見積りをご希望の方は、【カートに入れる】【お見積書の作成】をクリックいただき、会員登録を済ませてからお見積書をダウンロードして下さい。会員登録をしていただきますと、今後ご購入の際マイページから請求書、領収書等のダウンロードが可能です。

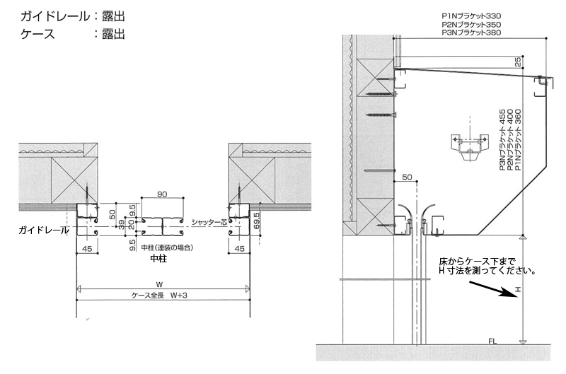
中柱の測り方です。

中柱を外し、端から端までの長さを測ってください。

こちらの例は、長さL=2085㎜になります。

中柱の寸法をご確認ください。寸法が違うと受け口に中柱が入りません。

 

 

 

中柱がなくなってしまい測ることができない場合は、床からシャッターの巻きあがる位置(H)までを 測ってください。

こちらで測ったH寸法に 20mm を足した寸法が中柱の寸法になります。

 

例:H寸法=2065mm

  中柱寸法L=2085mm

シャッターの中柱を採寸し交換する方法を動画で解説いたします。

中柱設置時の注意点について動画で解説いたします。

注文数
販売価格(税込み)
18,480

こちらの商品は、納品後のご返品、交換依頼は受付できません。工事は有資格者で行ってください。沖縄、及び離島は配達不可エリアとなります。

お届け日の目安
納期10日間/土日祝除く
2連装シャッターの中間についている着脱可能な柱になります。シャッターの中柱をぶつけて曲げてしまったり、サビて腐食したのでアルミの柱に交換する材料として、交換用中柱をご利用ください。販売は1m/1000㎜ ¥18,480から販売しております。交換方法などYouTube動画等UPしておりますのでご覧下さい。
販売価格(税込み)
18,480
カートに入れる
購入内容の内訳
サイズ変更
1. 寸法L=
シャッターのカギ形状をご確認下さい。変更
ディンプル錠
旧型錠
注文数変更
指定されていません
返品不可
送料長物
文化シヤッター株式会社製

こちらの商品は、納品後のご返品、交換依頼は受付できません。工事は有資格者で行ってください。沖縄、及び離島は配達不可エリアとなります。

お届け日の目安
納期10日間/土日祝除く
お借入金額 万円
お借入期間
お借入金利5.9 %

元利均等方式でご返済額を算出します。
お借入れの際の目安としてご利用ください。

毎月のご返済額
1年間のご返済総額
ご返済総額

※このシミュレーションでの試算結果は参考値です。実際のご返済内容とは異なる場合がありますので、あくまでも目安としてご利用してください。

現在のカートの中
合計数量
0
合計金額
0
クレジットカード
クレジットカードでお支払いが可能です。ポイントも貯まってお得です!
お電話でのお問い合わせ
月〜金(9:00〜12:00/13:00〜16:00)
商品お問い合わせ

欲しい商品が見つからない場合は下記フォームからお聞かせください

営業日カレンダー
4
2026
   1234
567891011
12131415161718
19202122232425
2627282930  
5
2026
     12
3456789
10111213141516
17181920212223
24252627282930
31