ストリップドア-シート(2mm×200mm) 〔厚さ×幅〕50mmラップ 静電防虫オレンジフラットスチールハンガー・フレームセット

サイズ

幅W寸法、高さH寸法をそれぞれ▼をクリックしお選びください。単位は㎜です。例:1200㎜=1m20㎝

幅W=
高H=
購入内容の内訳
サイズ変更
幅W=
高H=
注文数
販売価格(税込み)
21,714
セット

こちらの商品は、納品後のご返品、交換依頼は受付できません

お届け日の目安
納期5日間/土日祝除く
お見積りをご希望の方は、【カートに入れる】【お見積書の作成】をクリックいただき、会員登録を済ませてからお見積書をダウンロードして下さい。会員登録をしていただきますと、今後ご購入の際マイページから請求書、領収書等のダウンロードが可能です。

室内の温度を保ち、虫、埃の侵入を最小限に抑える静電防止の防虫タイプになります。

用途

●工場、倉庫、配送センター、事務所、クリーンルーム等の扉、中扉、間仕切りとして

●保冷室等の中扉・間仕切りとして

●スーパーマーケットやドラックストアなど、店内、生鮮市場等の間仕切りとして

●店舗など、オープンテラスの間仕切りとして

 

取付、取外しは極めて簡単です。

設置したい開口部上部に、固定フレームをビス、ボルトにて設置。固定後フレームに固定用

ハンガーの付いたシートを引っ掛けるだけです。

取り付けた後、維持管理に特別なメンテナンスは必要なく、耐久性にも優れ経済的です。

 

静電防虫2mm厚シート物性値

硬さ(JISA硬度計)        84   JIS A硬度計に準じる
引張強さ(N)   タテ・350 ヨコ・340 JIS K-6732に準じる
伸び(%)   タテ・350 ヨコ・390 JIS K-6732に準じる
引裂強さ(N)   タテ・100   ヨコ・105 JIS K-6732に準じる
光線透過率(%)        90 JIS K-7105に準じる
表面固有抵抗値(Ω)       1.8×1012 JIS K-6911に準じる
体積固有抵抗値(Ω・㎝)       3.4×1012 JIS K-6911に準じる
脆化温度(℃)       -40℃ JIS K-7201に準じる
使用環境温度

       常温

 
重量 0.6Kg/M     2mm×200mm
材質  ポリ塩化ビニール    
防炎試験番号        

物性値一部解説

引張強さ(N)

  単位NはKg タテ・350N/3cm  ヨコ・340N/3cm

  3㎝幅のシートにタテの場合、35㎏の重りを付けられる強さです。

引裂き強度(N)

  単位NはKg タテ・100  ヨコ・105

  シートに切れ目を入れ、片側に10Kgまでの重りをつけてもシートは裂けて

  こない強さです。

表面固有抵抗値(Ω)   シートの同一面上に電極を置き測定した抵抗値です。
体積固有抵抗値(Ω・㎝)   シートの裏、表の2面に電極を置き測定した抵抗値です。

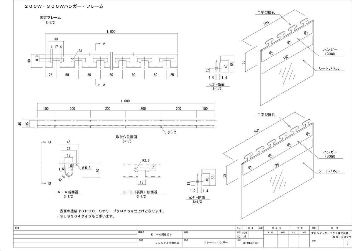
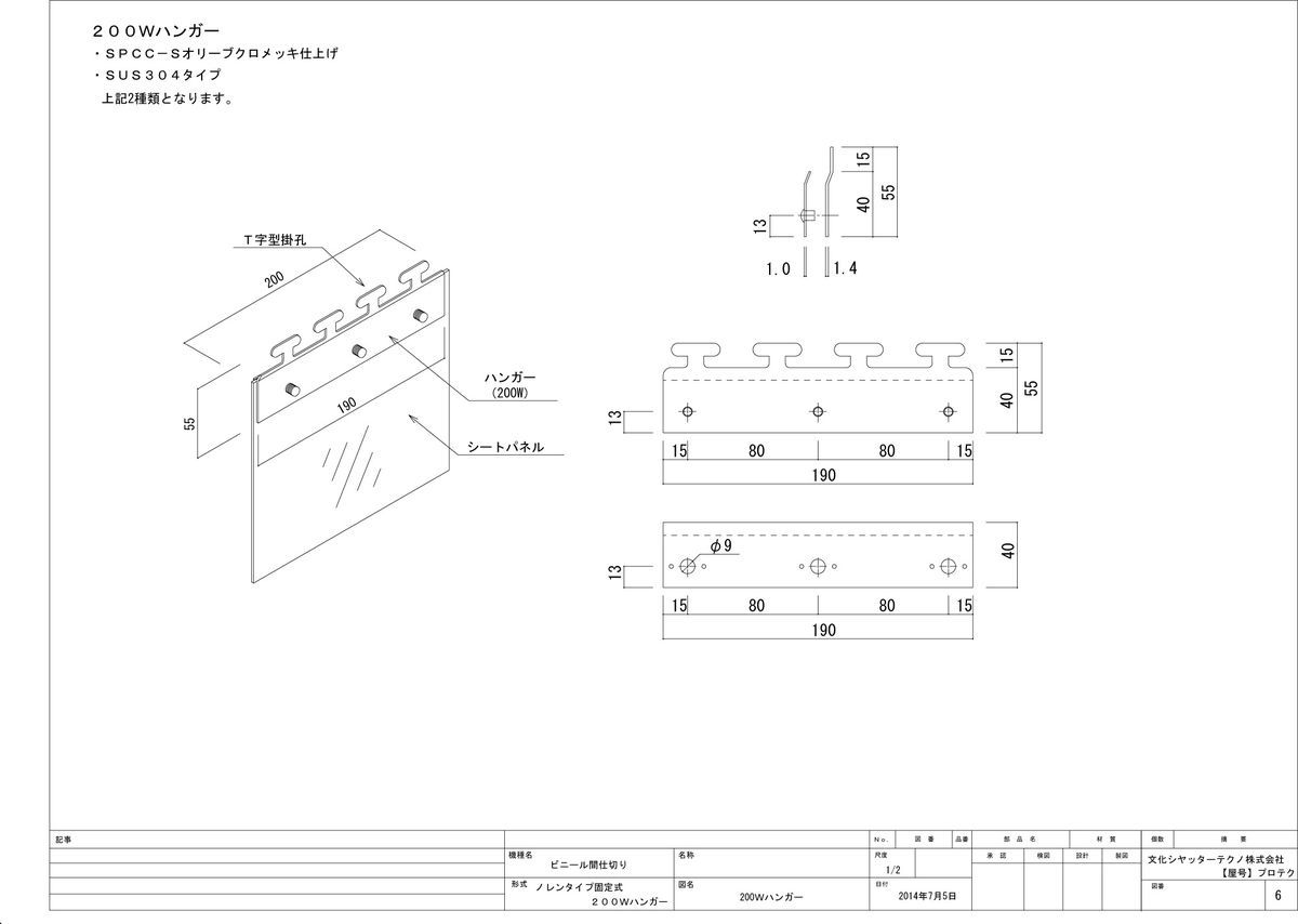
各部品詳細になります。

ビニール間仕切り・ノレン・ストリップドアシート施工方法について解説いたします。

注文数
販売価格(税込み)
21,714
セット

こちらの商品は、納品後のご返品、交換依頼は受付できません

お届け日の目安
納期5日間/土日祝除く
※シート仕様、厚み、幅、ラップ(重なり)ご確認ください。
販売価格(税込み)
21,714
カートに入れる
購入内容の内訳
サイズ変更
幅W=
高H=
注文数変更
指定されていません
返品不可
シート厚2mm
シート幅200㎜
ラップ50mm
防虫
代引き不可

こちらの商品は、納品後のご返品、交換依頼は受付できません

お届け日の目安
納期5日間/土日祝除く
お借入金額 万円
お借入期間
お借入金利5.9 %

元利均等方式でご返済額を算出します。
お借入れの際の目安としてご利用ください。

毎月のご返済額
1年間のご返済総額
ご返済総額

※このシミュレーションでの試算結果は参考値です。実際のご返済内容とは異なる場合がありますので、あくまでも目安としてご利用してください。

現在のカートの中
合計数量
0
合計金額
0
クレジットカード
クレジットカードでお支払いが可能です。ポイントも貯まってお得です!
お電話でのお問い合わせ
月〜金(9:00〜12:00/13:00〜16:00)
商品お問い合わせ

欲しい商品が見つからない場合は下記フォームからお聞かせください

営業日カレンダー
4
2026
   1234
567891011
12131415161718
19202122232425
2627282930  
5
2026
     12
3456789
10111213141516
17181920212223
24252627282930
31